info@1000proektov.by +375 29 187-69-96

Проект дома из блоков 1625

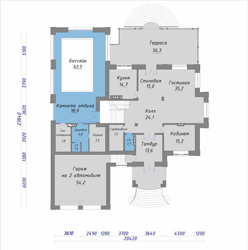
Характеристики проекта:

Площадь(м²): 731.2
Материал стен: блоки
Эскизный проект
650 руб.
Строительный проект
2100 руб.

Получить консультацию